产品展示
拨动开关
当前位置:首页 > 产品展示 > 拨动开关 >
SS-11G02

发布时间:2015-06-23

点击次数:

咨询电话:15377714075
产品详情
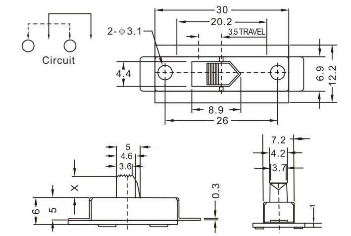
1SS-11G02 详细资料
 产品说明:

技术指标:

使用温度范围 -20~+70℃ 耐压 AC250V(50Hz)/min 
额定负荷 DC 50V  0.5A 动作力 250±100gf 
接触电阻 ≤0.05Ω 机械寿命 10000次 
绝缘电阻 ≥100MΩ



上一篇:SS-12D01
下一篇:SS-23E09
点击这里给我发消息