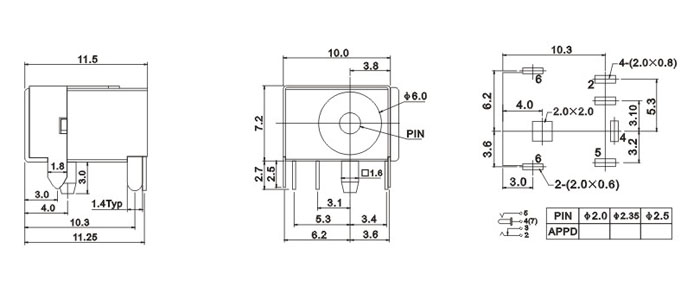
産品描述
技术指标:
|
使用温度范围 |
-20-70℃ |
耐压 |
AC500V(50Hz)/min |
|
额定负荷 |
DC 30V 0.5A-2.0A |
动作力 |
3~20N |
|
接触电阻 |
≤0.05Ω |
寿命 |
5000次 |
|
绝缘电阻 |
≥100MΩ |
|
|

